Bestop offers a comprehensive range of cartridge relief valves engineered to deliver the same performance and reliability as leading brands, including HydraForce, Sun Hydraulics, Yuken Hydraulics, Vickers, and Bosch Rexroth. Each valve meets strict quality standards to ensure precise pressure control, fast response, and long service life.
Unlike brand-name products, Bestop cartridge relief valves are priced at roughly one-third of the typical brand cost, making them an excellent choice for both OEMs and individual customers. We also support small batch orders, and our fast production and shipping ensure quick delivery to meet urgent project needs.
Whether you are replacing existing valves or integrating new hydraulic systems, Bestop provides a reliable, cost-effective solution without compromising quality.
Characteristic Description
What is a Cartridge Relief Valve?

A cartridge solenoid valve is an electrically controlled hydraulic valve designed in a compact screw-in cartridge form. It is installed directly into a manifold and used to control the flow direction, start/stop functions, or switching of hydraulic circuits.
Compared with traditional valves, cartridge solenoid valves offer a more compact structure, reduced leakage points, and easier integration into modern hydraulic systems. They are widely used in applications requiring fast and reliable electronic control.
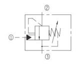
How Does a Cartridge Relief Valve Work?

A cartridge solenoid valve operates by converting electrical energy into mechanical movement to control fluid flow. When the solenoid coil is energized, it generates a magnetic field that moves an internal plunger or spool. This movement changes the flow path inside the valve—either opening, closing, or redirecting the hydraulic fluid. When power is removed, a spring returns the valve to its original position.
This simple but effective mechanism allows precise and rapid control of hydraulic systems, making it ideal for automated and remote-controlled applications.
Key Benefits of Cartridge Relief Valves

Cartridge Relief valve Function Choice

Cartridge Relief Valve Function Choice

| Model Choice | Spring Ranges | Max.Flow |
|---|---|---|
| BYF04-01 (717 downloads) | 5~320bar | 2.5L/min |
| BYF04-05 (560 downloads) | 12~210bar | 15L/min |
| BYF04-06 (553 downloads) | 12~350bar | 4.5L/min |
| BYF06-00 (532 downloads) | 8~345bar | 11L/min |
| BYF06-00A (597 downloads) | 6~240bar | 23L/min |
| BYF06-02 (529 downloads) | 7~210bar | 18L/min |
| BYF06-09 (579 downloads) | 8~350bar | 30L/min |
| BYF08-00 (560 downloads) | 7.3~230bar | 20L/min |
| BYF08-11 (598 downloads) | 48~268bar | 60L/min |
| BYF08-09H (715 downloads) | 40~350bar | 35L/min |
| BYF10-00 (565 downloads) | 29~210bar | 90L/min |
| BYF10-16 (593 downloads) | 5~350bar | 50L/min |
| BYF10-19 (582 downloads) | 15~285bar | 50L/min |
| BYF12-00 (521 downloads) | 47~158bar | 113L/min |
| BYF15-01 (577 downloads) | 5~189bar | 35L/min |
| BYF15-02 (539 downloads) | 50~350bar | 120L/min |

| Model Choice | Spring Ranges | Max.Flow |
|---|---|---|
| BCYF08-00 (556 downloads) | 27~210bar | 30L/min |
| BCYF08-01.pdf (625 downloads) | 69~280bar | 60L/min |
| BCYF10-00 (611 downloads) | 14~230bar | 113L/min |
| BCYF10-02 (585 downloads) | 5~320bar | 90L/min |
| BCYF12-00 (584 downloads) | 18~275bar | 200L/min |
| BCYF16-00 (602 downloads) | 18~121bar | 250L/min |

| Model Choice | Spring Ranges | Max.Flow |
|---|---|---|
| BXYF08-00 (569 downloads) | 1~315bar | 50L/min |
| BXYF08-01 (574 downloads) | 1~315bar | 50L/min |
| BXYF08-02 (443 downloads) | 1~315bar | 35L/min |
| BXYF10-01 (475 downloads) | 1~315bar | 60L/min |
| BXYF10-02 (563 downloads) | 1~315bar | 60L/min |
| BXYF10-03 (552 downloads) | 1~315bar | 60L/min |
| BXYF10-04 (568 downloads) | 1~315bar | 60L/min |
| BXYF10-05 (509 downloads) | 1~315bar | 60L/min |
| BXYF10-07 (586 downloads) | 1~210bar | 75L/min |
| BXYF10-08 (537 downloads) | 7~345bar | 113L/min |
| BXYF10-11 (575 downloads) | 23~350bar | 75L/min |
| BXYF20-01 (539 downloads) | 16~350bar | 113L/min |
| BXYF20-02 (540 downloads) | 16~350bar | 113L/min |
| BXYF10EE-00 (540 downloads) | 16~350bar | 95L/min |
| BXYF12GE-00 (515 downloads) | 16~350bar | 200L/min |
| BXYF16IE-00 (556 downloads) | 19~350bar | 300L/min |
| BXYF25-01 (563 downloads) | 36~350bar | 300L/min |
| BXYF25-03 (584 downloads) | 80~250bar | 200L/min |
| BXYF25-07 (569 downloads) | 10~420bar | 400L/min |
| BDFX32-09 (569 downloads) | 80~250bar | 250L/min |

| Model Choice | Spring Ranges | Max.Flow |
|---|---|---|
| BXDYF15-01 (565 downloads) | 10~315bar | 63L/min |
| BXDYF20-00 (565 downloads) | 10~315bar | 113L/min |
| BXDYF20-01 (562 downloads) | 10~315bar | 113L/min |
| BXDYF20-02 (540 downloads) | 10~315bar | 113L/min |
| BXDYF20-03 (597 downloads) | 10~315bar | 113L/min |
| BXDYF20-04 (519 downloads) | 10~315bar | 113L/min |
| BXDYF20-05 (548 downloads) | 10~315bar | 150L/min |
| BXDYF20-06A (584 downloads) | 10~345bar | 113L/min |
| BXDYF20-08 (559 downloads) | 10~315bar | 113L/min |
| BXDYF20-10 (525 downloads) | 10~345bar | 113L/min |
| BXDYF25-00 (529 downloads) | 10~315bar | 200L/min |
| BXDYF25-01B (572 downloads) | 10~315bar | 150L/min |
| BXDYF25-02 (514 downloads) | 10~315bar | 150L/min |
| BXDYF25-03 (548 downloads) | 10~420bar | 180L/min |
| BXDYF25-04 (519 downloads) | 10~420bar | 180L/min |
| BXDYF32-01 (524 downloads) | 10~210bar | 250L/min |
| BXDYF32-02 (515 downloads) | 10~210bar | 250L/min |
| BXDYF32-00 (569 downloads) | 10~450bar | 400L/min |

| Model Choice | Spring Ranges | Max.Flow |
|---|---|---|
| BZYF15-01 (545 downloads) | 70~280bar | 100L/min |
| BZYF25-01 (551 downloads) | 70~280bar | 150L/min |

| Model Choice | Spring Ranges | Max.Flow |
|---|---|---|
| BYYF10-00 (567 downloads) | 10~210bar | 4L/min |
| BYYF12-01 (536 downloads) | 30~350bar | 60L/min |
| BYYF20S-01 (573 downloads) | 30~350bar | 300L/min |
| BXYF16GA-00 (425 downloads) | 19~350bar | 240L/min |

| Model Choice | Spring Ranges | Max.Flow |
|---|---|---|
| BYYF08-00 (543 downloads) | 5~250bar | 30L/min |
| BYYF10S-00 (566 downloads) | 10~320bar | 60L/min |
| BYYF12S-00 (579 downloads) | 10~320bar | 110L/min |

| Model Choice | Spring Ranges | Max.Flow |
|---|---|---|
| BSYF10-00 (554 downloads) | 19~207bar | 35L/min |
| BSYF10-01 (586 downloads) | 19~280bar | 60L/min |

| Model Choice | Spring Ranges | Max.Flow |
|---|---|---|
| BJF06-00 (582 downloads) | 5~80bar | 40L/min |
| BJF08-00 (593 downloads) | 5~160bar | 11L/min |
| BXJF08-00 (524 downloads) | 10~320bar | 30L/min |
| BXJF10-00 (547 downloads) | 7~320bar | 56L/min |
| BXJF10-01 (512 downloads) | 3.5~315bar | 40L/min |

| Model Choice | Spring Ranges | Max.Flow |
|---|---|---|
| BZSF08-00 (428 downloads) | 3~160bar | 11L/min |
| BZS08-01 (488 downloads) | 3~160bar | 11L/min |
| BZS08-02 (461 downloads) | 3~160bar | 11L/min |
| BXSF08-00 (522 downloads) | 3~350bar | 30L/min |
| BZSF10-00 (557 downloads) | 5~85bar | 30L/min |
| BXSF10-00 (501 downloads) | 7~345bar | 56L/min |
| BXSF10-01 (533 downloads) | 7~345bar | 56L/min |
| BZSF10-02 (483 downloads) | 14~210bar | 30L/min |
Cartridge Relief Valve Categories
Direct acting cartridge relief valves function by directly balancing the hydraulic system pressure against a spring force. When system pressure exceeds the preset value, the valve opens instantly to relieve excess pressure, preventing damage. Their simple design and rapid response make them ideal for low-flow, compact systems where fast pressure relief is critical.
Pilot operated cartridge relief valves feature a two-stage design, using a pilot valve to control the main spool. This setup allows higher flow rates and more stable pressure regulation. They are especially suitable for high-pressure hydraulic systems, providing smooth operation, accurate pressure control, and reduced system shock during load changes or transient conditions.
Pressure reducing cartridge valves are designed to maintain a constant reduced pressure in a specific section of a hydraulic circuit, independent of upstream pressure fluctuations. This ensures sensitive components operate safely and consistently. They are widely used where precise control of downstream pressure is necessary, improving system stability and protecting equipment from overpressure.
Sequence and counterbalance cartridge valves regulate the order of operations in multi-actuator systems or control load-holding functions. Sequence valves ensure actuators operate in a defined order, while counterbalance valves prevent loads from dropping uncontrollably. They enhance safety, provide precise motion control, and protect hydraulic components under varying load conditions.
Cartridge Relief Valve Applications

Industrial Automation Equipment

Hydraulic Power Units

Material Handling Equipment

Mobile hydraulic Equipment

Construction Machinery

Agricultural Systems
How to Choose the Right Cartridge Relief Valve?
Selecting the correct valve is critical for system performance and safety. Key factors to consider include If you are replacing an existing valve, matching the cavity and performance specifications is essential for a seamless fit.
Cartridge Relief Valve FAQs
Contact Us

Interested in our products, pricing, MOQ, or customized solutions? Fill out the form below to submit your inquiry or request a quote, and our team will get back to you within 24 hours.

