The ZDR10 pressure reducing valve is a pilot-operated hydraulic control valve designed to maintain a stable secondary pressure in hydraulic systems. BSTIND manufactures high-quality ZDR10 valves as a direct functional equivalent to rexroth zdr 10, ensuring full compatibility in installation, hydraulic performance, and system integration. Engineers searching for rexroth zdr, zdr10, or rexroth zdr 10 typically need a stable replacement solution that can be installed without modifying existing systems—this is exactly what BSTIND provides.
How ZDR10 Pressure Reducing Valve Works

The ZDR10 / zdr 10 valve operates through a pilot-controlled pressure regulation mechanism:
👉 Result: Stable downstream pressure even under varying load conditions.
Key Features of BSTIND ZDR10
ZDR10 Direct Operated Pressure Reducing Valve
Port pattern is according to DIN24340 form A and ISO 4401-03-02-0-05 standards
With 4 pressure ratings:2.5Mpa,7.5MPa,15MPa,21Mpa
And 3 optional pressure adjustment types :
Rotary knob
Bushing with hexagon and protective cap
Lockable rotary knob
Max.Flow:50L/min
Max.pressure:21Mpa

ZDR10 Hydraulic Valve Application

Injection Molding Machines

Hydraulic Presses

Industrial Automation Systems
ZDR10 Pressure Reducing Valve Technical
The following section outlines the technical structure of the ZDR10 pressure reducing valve, including its ordering logic, hydraulic function representation, performance data, characteristic behavior, and installation dimensions. These elements are essential for correct selection, system integration, and Rexroth-compatible replacement applications.
Ordering Code Structure

Hydraulic Symbol

Technical Data

Characteristic Curves

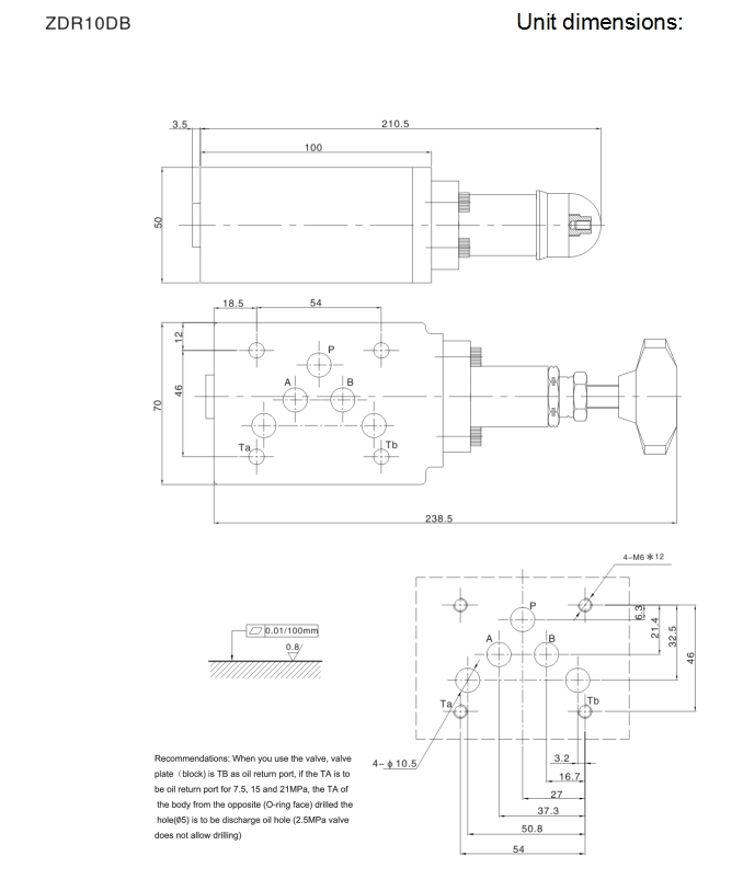
Unit Dimensions


How to Choose ZDR10 Valve?
When selecting a ZDR10 / ZDR 10 pressure reducing valve, engineers should evaluate the system requirements from a functional and operating condition perspective to ensure stable downstream pressure control and long-term reliability in hydraulic applications.
Define the required reduced pressure range based on the downstream circuit. The selected valve must maintain stable regulation within this range under both steady-state and fluctuating inlet pressure conditions.
The valve must be matched to the system’s actual flow demand to ensure stable pressure control without excessive pressure drop or throttling losses during operation.
Confirm that the mounting interface complies with NG10 / ISO 4401 standard to ensure correct installation and full interchangeability within existing valve stacks.
Different applications require different control characteristics, such as high-precision pressure regulation in sensitive circuits or robust performance in general industrial hydraulic systems.
Common Issues & Troubleshooting
In ZDR10 pressure reducing valve applications, performance issues are usually related to operating conditions, fluid quality, or internal mechanical state. Identifying the correct cause is essential for restoring stable pressure regulation and ensuring reliable system performance. The following sections summarize the most common failure modes and their possible causes:
Bstind vs Rexroth ZDR10
The following comparison highlights the key engineering and commercial differences between BSTIND ZDR10 and Rexroth ZDR10. Both are designed for NG10 pressure reducing applications, but differ mainly in sourcing strategy, cost structure, and supply chain efficiency while maintaining functional compatibility.
| Feature | BSTIND ZDR10 | Rexroth ZDR10 |
|---|---|---|
| Compatibility | Fully interchangeable NG10 valve for direct replacement in existing hydraulic systems | Original OEM component designed for Rexroth systems |
| Performance | Equivalent pressure regulation behavior under industrial operating conditions | OEM-defined hydraulic performance characteristics |
| Installation | Direct NG10 (ISO 4401) mounting, no system modification required | OEM system integration only |
| Cost | More competitive sourcing solution for system cost optimization | Higher OEM pricing structure |
| Delivery | Stable global supply with shorter lead times | Longer OEM supply cycles |
