Hydraulic systems require precise flow control to ensure stable actuator speed, smooth motion, and reliable long-term performance. The Z2FS throttle check valve is widely used in hydraulic circuits to achieve accurate speed regulation by combining flow throttling and free return flow in a compact sandwich plate design.
BSTIND is a professional hydraulic valves manufacturer, producing high-performance hydraulic control components. We manufacture Z2FS throttle check valves with the same dimensional standards and functional performance as Bosch Rexroth Z2FS series, providing a reliable and cost-effective direct replacement solution for industrial applications.
What is Z2FS Throttle Check Valves?

BSTIND Z2FS throttle check valves are designed as direct replacement solutions for Bosch Rexroth Z2FS series hydraulic valves. They fully match the original installation dimensions, hydraulic performance, and functional structure, allowing seamless substitution without modifying the existing system.
This compatibility covers common Rexroth models such as rexroth z2fs6, rexroth z2fs10, and related configurations including part number rexroth r900481624.
For specific hydraulic circuit designs, BSTIND also supports equivalent structures such as Z2FS6 2 4X 2QV, ensuring full interchangeability with Rexroth sandwich plate valve assemblies.
Function of Z2FS Throttle Check Valve
The Z2FS valve combines two hydraulic functions in a single compact sandwich plate design: the throttle function, which controls flow rate in one direction, and the check valve function, which allows free reverse flow. This structure ensures:
👉 In practical hydraulic systems, the z2fs valve is used to precisely control cylinder speed while maintaining fast return operation.
Z2FS Throttle Check Valve Working Principle
Z2FS Throttle Check Valve Working Principle
| Code | Meaning |
|---|---|
| Z2FS | Sandwich plate throttle check valve series |
| 6 | Size / flow class |
| 2 | Port configuration |
| 4X | Design / pressure series |
| 2QV | Adjustment / control type |
Z2FS Throttle Check Valve Series Overview
The Z2FS series throttle check valves are designed to provide precise flow control across different hydraulic system sizes. Depending on the required flow capacity and application demand, different models are used to ensure stable actuator speed regulation and efficient system performance.
The Z2FS6 throttle check valve is used in medium-flow hydraulic systems requiring stable and accurate speed control. Typical applications:
- machine tools
- standard hydraulic cylinders
- industrial automation systems
Common references:
- z2fs 6 2 4x 2qv
The z2fs10 valve is designed for higher flow systems where larger actuator control is required. Typical applications:
- heavy machinery
- large hydraulic presses
- construction equipment
Reference:
- rexroth z2fs10
Z2FS Modular Throttle Check Valve Specification
Z2FS modular throttle check valve diameter
6=Size 6
10=Size 10
16=Size 16
22=Size 22
A.B cavity throttling =blank
À cavity throttle = A
B cavity throttle = B
Inlet throttle = S (6.10 diameter without it)
Inlet throttle= S2 (6.10 diameter without it)
Note: Size 6,Size 10 throttle valve can change inlet and outlet throttle, as long as turned the valve 180 degrees.
Max pressure is 35MPa, one direction throttling,another direction through the check valve re-flux.

Z2FS Check Valve Technical Documentation
Ordering Code Structure

Hydraulic Symbol Diagram

Technical Data Sheet

Characteristic Curves


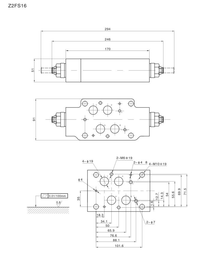
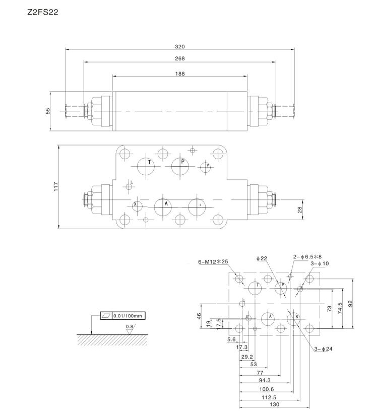
Unit Dimensions Drawing




Z2FS Throttle Check Valve Applications

Hydraulic Press Systems

Injection Molding Machines

Industrial Automation Systems
BSTIND vs Rexroth – Engineering Equivalent Strategy
BSTIND and Rexroth serve different positioning strategies in hydraulic systems, but both deliver reliable engineering performance. Rexroth represents OEM-standard original design with strong system integration, while BSTIND focuses on functional equivalence, offering fully interchangeable solutions with more competitive sourcing and faster delivery. This allows users to choose between original equipment preference and cost-efficient replacement flexibility depending on project requirements.
| Feature | BSTIND | Rexroth |
|---|---|---|
| Compatibility | 100% interchangeable | OEM standard |
| Hydraulic Function | Equivalent performance behavior | Original design |
| Installation | Direct replacement | OEM system integration |
| Cost Efficiency | More competitive sourcing | Higher brand premium |
| Supply Speed | Faster delivery cycles | Longer lead times |
