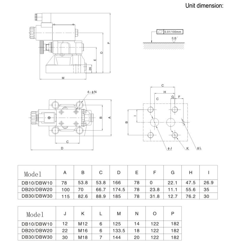
DB and DBW Type
Component series 5X size: 10 to 32
Maximum operating pressure: 350 bar
Maximum flow :650 L/min
Features
Sub-plate mounting:
Valve port pattern is according to ISO 6264-AR-06-2-A (size 10) standard
ISO 6264-AS-08-2-A (size 25) standard
ISO 6264-AT-10-2-A (size 32) standard
DIN24320E Type
CETOP-RP121H
Threaded connection type
Can installed into manifolds
4 adjustment elements of pressure setting range, optional:
Rotary knob
Sleeve with hexagon and protective cap
Lockable rotary knob with scale
Rotary knob with scale
5 pressure adjustment range:
Pressure setting up to 50 bar
Pressure setting up to 100 bar
Pressure setting up to 200 bar
Pressure setting up to 315 bar
Pressure setting up to 350 bar
Solenoid operated unloading via built-in directional spool hydraulic pressure valve or directional poppet valve
Heavy duty solenoid
Explosion-protected solenoid (on enquiry)
Switching shock damping, optional (only type DBW)
Further information:
High-performance directional hydraulic pressure valve Subplates
Pilot oil supply and pilot oil drain
Pilot oil supply and pilot oil drain internal
Pilot oil supply external, pilot oil drain internal
Pilot oil supply internal, pilot oil drain external
Pilot oil supply and pilot oil drain external








Related SEO Article
Yuken solenoid hydraulic regulator valve is solenoid reversing valve control, to control the oil opening, stop and direction. The directional control valve mainly comprises a hydraulic pressure valve body, 1or 2 electromagnet, a control valve core and 1 or 2 reset springs.When the current is not energized, the control valve core has a reset spring to remain in the middle or initial position, the hydraulic regulator valve core is operated by the wet electromagnet operation.
Yuken valve dsg-01 of a wide variety, according to the number of its work position and number of channels can be divided into two position three way, two position four way, three position four way etc.; according to its reduction and positioning can be divided into the form of spring reset type, steel ball positioning type, no return spring type; according to the connection form of the hydraulic pressure valve body and the electromagnet can be divided into a thread connection; according to the structure of the magnet, the structure can be divided into dry type and wet type. Each kind has the communication, the direct current, this entire and so on the form, moreover needs the power supply voltage to have many kinds, therefore there are many differences in its structure.
