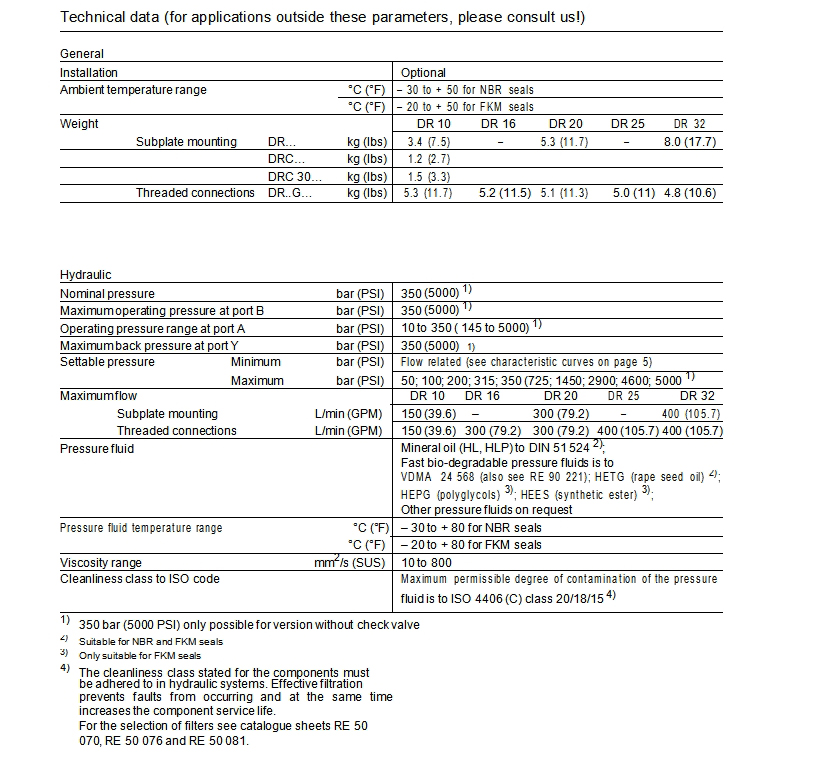
DR-L5X Pressure reducing valve,pilot operated
Nominal sizes from 10 to 32
Series 5X
Maximum operating pressure 350 bar (5000 PSI)
Maximum flow 400 L/min (105 GPM)
Features
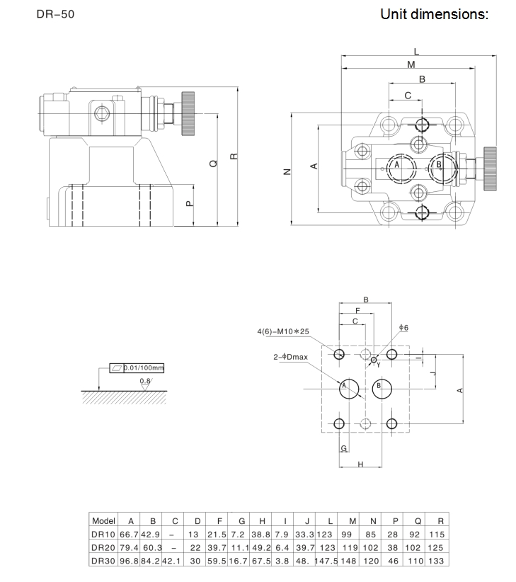
Mounting standard is according to ISO 5781-06, 08 or 10, NFPA/ANSI P 06, P 08 or P 10 interfaces standard
For threaded connections type
For manifold mounting type
Four adjusting elements:
Rotary knob
Sleeve with hexagon and protective cap
Lockable rotary knob with scale
Rotary knob with scale
With five pressure adjustment range
Check Valve optional







Related SEO Article – The difference between DSHG and DSG direct operated relief valve
High pressure and large flow
Direct acting pressure relief valve of nominal size 04, the maximum flow for 300 L / min, reversing valve of nominal size 06, the maximum flow for 500 L / min, reversing direct acting relief valve of nominal size 10, the maximum flow is 1100L/min, with high performance, compact and small size.
Low pressure loss
Can greatly reduce the pressure loss, save energy consumption. Pilot direct acting relief valve control,oil discharge is easy to remix, by disassembling screw plug, easy to implement pilot valve control (internal or external control), drainage way (within the vent or leak) recombination.
The direct acting pressure relief valve has the distinction of spring and no spring, such as yuken series 3c2 and DSG-01-2b2.
3C2 means three way four position, middle oil passage closed. The direct operated relief valve has left, middle and right three states, the role of spring is to keep the direct acting relief valve in the middle. 2D2 means two way four position valve, the valve has left, middle and right three states, no spring. In the state of no electromagnetic force or on both sides of the electromagnet are powered, the spool may stop at any position, but the direct operated relief valve with mechanical clamping. So there are only two states, unless you pulling it forcibly.
