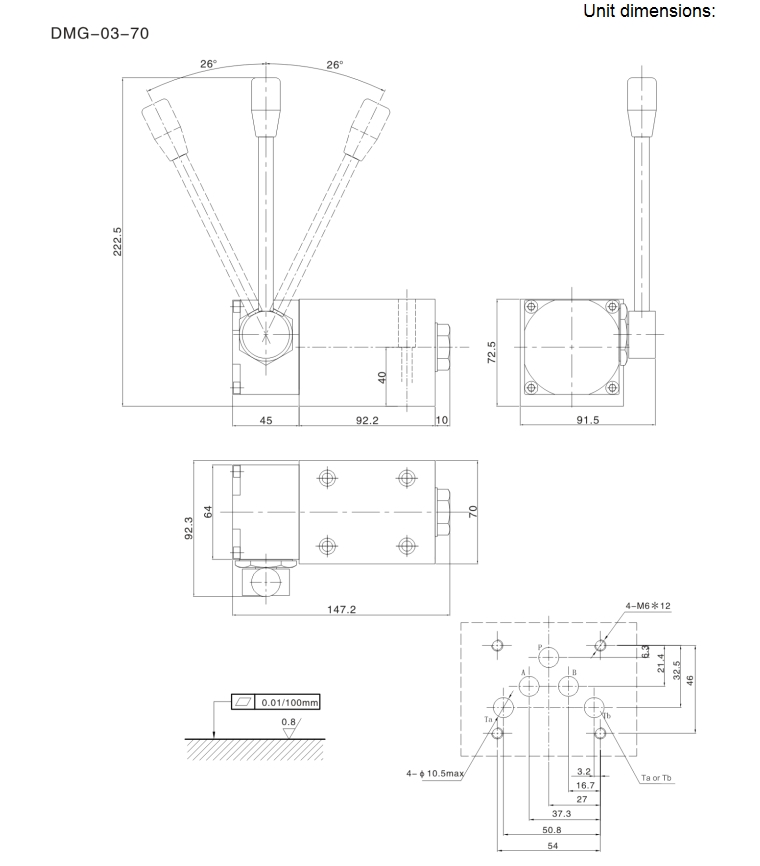
DMG0370 Directional Valve with manual actuation
Components Series 70
Max.operating pressure is 35MPa.
Max.Flow:120L/min
Hand knob position:
No sign means Hand knob front and back operation
LR means Hand knob left or right operation
The valves with spring reset and detent function
O represents Steel Ball Location
W represents spring return
For details, see function symbols
Weight is about 4.42kgs





Hydraulic hand lever valve related article
Hydraulic hand lever valve is mainly used in the electrical hydraulic servo system as the executive component. In the servo system, the hydraulic actuator has the characteristics of high speed, large output power, stable transmission, strong anti-interference ability compared with the electric and pneumatic actuators. On the other hand, generally use of electrical components in the servo system for the transmission of signals and correction characteristics. Therefore, the modern high performance servo system also uses the electric fluid way, the servo hydraulic hand valve is the essential component of this system, the hand lever valve also can be applied in the hydraulic servo system.
