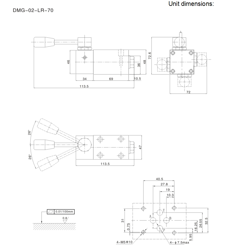
DMG0270 directional Valve with manual actuation
Components Series 70
Max.operating pressure is 35MPa.
Max.Flow:60L/min
Hand knob position:
No sign means Hand knob front and back operation
LR means Hand knob left or right operation
The valves with spring reset and detent function
O represents Steel Ball Location
W represents spring return
For details, see function symbols
Weight is about 1.8kgs





Hydraulics directional control valves related article
The main features of hydraulics directional control valves is to prevent leakage of the electromagnetic valve, easy to control leakage, the use of safety. Internal and external leakage is a risk factor for safety. Other automatic control valves usually extend the valve stem,the rotation or movement of the hydraulics directional control valves core is controlled by the electric, pneumatic and hydraulic actuators. This should solve the long-term movement of the valve rod moving seal leakage problem; only the dmg-02 solenoid valve is with a magnetic force on the seal in the electric control valve separated from the core magnetic casing to complete, there is no dynamic seal, so the leakage is easy to block the vast. Hydraulics directional control valves is not easy, prone to leakage, or even pull off the stem head; the structure of the dmg-02 electromagnetic valve is easy to control the leakage, until it is reduced to zero. Therefore, the electromagnetic valve is particularly safe, especially suitable for corrosive, toxic or high temperature media.
